
打印本页
相关参数和图片:
| 研发时间 | 部分用途 | 产品名称 |
| 91年NOV | ISD4.5 CM2150,B5.9 LPG Plus CM556,G5.9,ISB 5.9 G CM2180,B4.5s,ISF3.8 CM2220 AN,ISB6.7 CM2250,B4.5 RGT,ISB CM800,QSB5.9-44 CM550,B5.9 G,G3.9,ISBe4 CM850,ISD6.7 CM2150,ISD6.7 CM2150 SN,QSB6.7 CM2250,QSB3.9-30 CM550,QSB5.9-30 CM550,B Gas Plus CM556,B6.7s,ISB CM2150,ISD4.5 CM2150 SN,ISB CM850,B LPG Plus CM556,B4.5,B3.9,ISF2.8 CM2220 AN,ISB6.7 CM2150 SN,QSB6.7 CM850,ISBe4 CM2150,G5.9 CM558,ISB6.7 CM2150 SQ,ISB4.5 CM2150 SN,ISB CM550,QSB5.9 CM850,B Gas International CM556,QSB4.5-30 CM550,ISBe CM800,ISBe5 CM2150 SN,QSB4.5 CM850,B5.9,ISBe CM850 | 正六角螺母 |
| ||
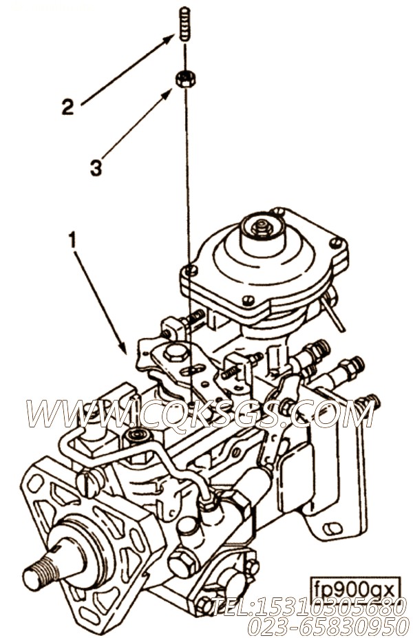
| 图号 | ID号 | 零件名称 | 一般装配量 | 销售(是/否) | 订购链接 |
| TL9017 | Throttle Control Bracket | 否 | |||
| 1 | 3910959 | 锁紧螺母 | 1 | 是 | 订购 |
| 2 | 3900629 | 六角法兰头螺丝 | 3 | 是 | 订购 |
| 3916235 | 油门控制支架 | 1 | 是 | 订购 | |
| 3 | 3914342 | 油门控制支架 | 1 | 是 | 订购 |
| 4 | 3916234 | 油门杆 | 1 | 是 | 订购 |
| 5 | 3914422 | 张力春 | 1 | 是 | 订购 |
| 6 | 3914353 | 衬套 | 2 | 是 | 订购 |
| 7 | 3914354 | 节气门轴衬套 | 1 | 是 | 订购 |
| 8 | 70233 | 平垫圈 | 1 | 是 | 订购 |
| 9 | 3914356 | 剪裁 | 1 | 是 | 订购 |
| 3912799 | 控制棒 | 1 | 是 | 订购 | |
| 10 | 3914426 | 控制棒结束时 | 1 | 是 | 订购 |
| 11 | 3915106 | 控制棒结束时 | 1 | 是 | 订购 |
| 12 | 3914362 | 控制棒 | 1 | 是 | 订购 |
| 13 | 3915103 | 正六角螺母 | 1 | 是 | 订购 |
| 14 | 3915104 | 正六角螺母 | 1 | 是 | 订购 |
| 15 | 3914363 | Screw, Ball | 1 | 是 | 订购 |
| 16 | 3914423 | 张力春 | 1 | 是 | 订购 |
| 17 | 3914415 | 油门控制支架 | 1 | 是 | 订购 |
地址:重庆市沙坪坝区大水井1号 邮编:400031 联系电话: 023-65830950 传真:023-65830951 渝ICP备11004113号
版权所有 Copyright(C) 泽成机械