
| 名称 | 【3918108】六角法兰面螺栓 用在康明斯发动机 |
| 相关机型 | ISX QSX15 ISX15 ISZ13 |
| 品质 | OEM/aftermarket |
| ID号 | 7SY-75W-362 |
| 价格 | 授权可见 点击询价 |
| 主要用途 | 康明斯柴油机用的六角法兰面螺栓CUMMINS 六角法兰面螺栓康明斯柴油机用的[详细说明>>] |
打印本页
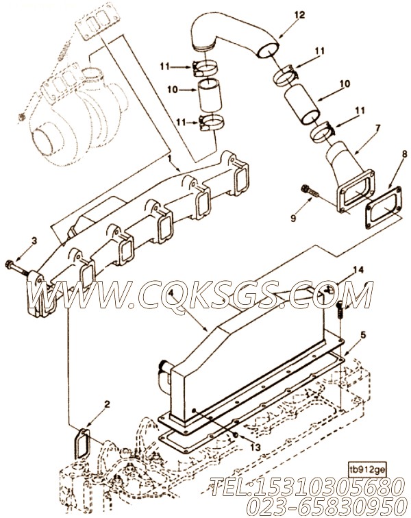
相关参数和图片:
| 研发时间 | 部分用途 | 产品名称 |
| 04年NOV | ISX15 CM2250,QSX15 CM570,ISZ13 CM2150 SN,ISX CM871,ISX CM570,ISX CM870,ISX CM871 E,QSX15 CM2250 | Screw, Hex Flange Head Cap |
| ||
| 图号 | ID号 | 零件名称 | 一般装配量 | 销售(是/否) | 订购链接 |
| TB9196 | 涡轮增压器位置 | 否 | |||
| 1 | 3906660 | 排气歧管 | 1 | 是 | 订购 |
| 2 | 3905443 | 排气歧管垫片 | 6 | 否 | |
| 3 | 3901448 | 六角法兰头螺丝 | 12 | 是 | 订购 |
| 4 | 3910282 | 中冷器 | 1 | 是 | 订购 |
| 5 | 3914029 | 诠释歧管盖垫片 | 1 | 是 | 订购 |
| 6 | 3918108 | 六角法兰头螺丝 | 14 | 是 | 订购 |
| 7 | 3906918 | 空气交叉连接 | 1 | 是 | 订购 |
| 8 | 3914856 | 接头密封垫 | 1 | 是 | 订购 |
| 9 | 3900631 | 六角法兰头螺丝 | 4 | 是 | 订购 |
| 10 | 3279245 | 平原软管 | 2 | 是 | 订购 |
| 11 | 3033033 | 软管卡箍 | 4 | 是 | 订购 |
| 12 | 3906914 | 空气管 | 1 | 是 | 订购 |
| 13 | 3906619 | 管塞 | 1 | 是 | 订购 |
| 14 | 3280861 | 平原适配器弯头 | 1 | 是 | 订购 |
地址:重庆市沙坪坝区大水井1号 邮编:400031 联系电话: 023-65830950 传真:023-65830951 渝ICP备11004113号
版权所有 Copyright(C) 泽成机械