
打印本页
相关参数和图片:
| 研发时间 | 部分用途 | 产品名称 |
| 93年JUN | ISD4.5 CM2150,B5.9 LPG Plus CM556,G5.9,ISB 5.9 G CM2180,B4.5s,ISF3.8 CM2220 AN,ISB6.7 CM2250,B4.5 RGT,ISB CM800,QSB5.9-44 CM550,B5.9 G,G3.9,ISBe4 CM850,ISD6.7 CM2150,ISD6.7 CM2150 SN,QSB6.7 CM2250,QSB3.9-30 CM550,QSB5.9-30 CM550,B Gas Plus CM556,B6.7s,ISB CM2150,ISD4.5 CM2150 SN,ISB CM850,B LPG Plus CM556,B4.5,B3.9,ISF2.8 CM2220 AN,ISB6.7 CM2150 SN,QSB6.7 CM850,ISBe4 CM2150,G5.9 CM558,ISB6.7 CM2150 SQ,ISB4.5 CM2150 SN,ISB CM550,QSB5.9 CM850,B Gas International CM556,QSB4.5-30 CM550,ISBe CM800,ISBe5 CM2150 SN,QSB4.5 CM850,B5.9,ISBe CM850 | 柔性软管 |
| ||
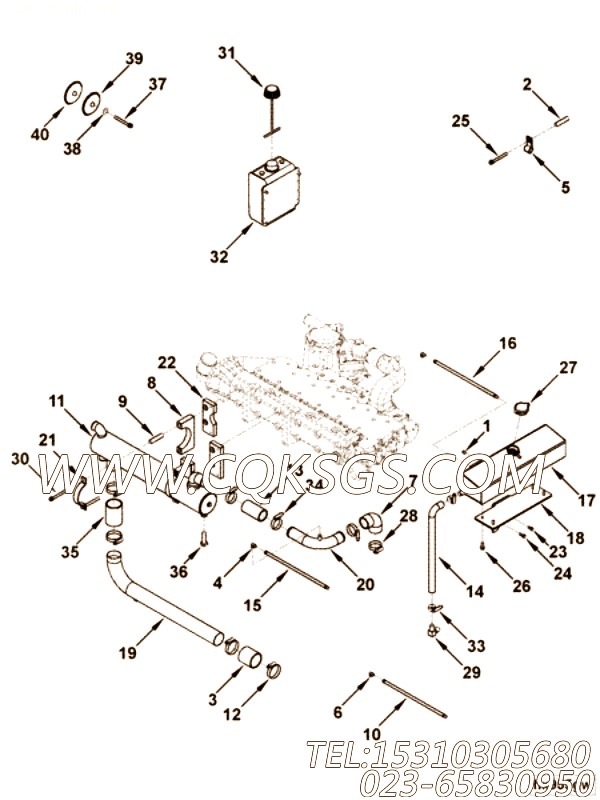
| 图号 | ID号 | 零件名称 | 一般装配量 | 销售(是/否) | 订购链接 |
| 38 | 3910556 | 密封垫圈 | 2 | 是 | 订购 |
| HX9052-09 | 热交换器 | 否 | |||
| 1 | S 949 B | 管塞 | 2 | 是 | 订购 |
| 2 | 64709 | 安装垫片 | 1 | 是 | 订购 |
| 3 | 63549 | 平原软管 | 2 | 是 | 订购 |
| 4 | 68139 | 阳性适配器弯头 | 2 | 是 | 订购 |
| 5 | 108722 | 剪裁 | 1 | 是 | 订购 |
| 6 | 112105 | 阳性适配器弯头 | 1 | 是 | 订购 |
| 7 | 176743 | 弯头软管 | 1 | 是 | 订购 |
| 3281793 | 振动隔离器 | 2 | 是 | 订购 | |
| 8 | 3281791 | 振动隔离器 | 1 | 是 | 订购 |
| 9 | 3281792 | 安装垫片 | 1 | 是 | 订购 |
| 10 | 3866597 | 柔性软管 | 1 | 是 | 订购 |
| 11 | 3866719 | 造热交换器 | 1 | 是 | 订购 |
| 12 | 3922849 | 软管卡箍 | 4 | 是 | 订购 |
| 13 | 3924839 | 平原软管 | 1 | 是 | 订购 |
| 14 | 3924849 | 平原软管 | 1 | 是 | 订购 |
| 15 | 3924923 | 柔性软管 | 1 | 是 | 订购 |
| 16 | 3924924 | 柔性软管 | 1 | 是 | 订购 |
| 17 | 3866789 | 膨胀罐 | 1 | 是 | 订购 |
| 18 | 3866790 | 膨胀水箱支架 | 1 | 是 | 订购 |
| 19 | 3905052 | 水转印管 | 1 | 否 | |
| 20 | 3905047 | 水转印管 | 1 | 是 | 订购 |
| 21 | 3905057 | 护钳 | 2 | 是 | 订购 |
| 22 | 3897086 | 换热器支架 | 1 | 是 | 订购 |
| 23 | 3900630 | 六角法兰头螺丝 | 2 | 是 | 订购 |
| 24 | 3900631 | 六角法兰头螺丝 | 1 | 是 | 订购 |
| 25 | 3900634 | 六角法兰头螺丝 | 1 | 是 | 订购 |
| 26 | 3902460 | 六角法兰头螺丝 | 6 | 是 | 订购 |
| 27 | 3393978 | 填料CAP | 1 | 是 | 订购 |
| 28 | 3910509 | 软管卡箍 | 2 | 是 | 订购 |
| 29 | 3282444 | 弯头管耦合 | 1 | 是 | 订购 |
| 30 | 3908226 | 六角法兰头螺丝 | 4 | 是 | 订购 |
| 3922500 | Reservoir, Coo Recovery | 1 | 是 | 订购 | |
| 31 | 3921339 | 膨胀水箱帽 | 1 | 是 | 订购 |
| 32 | 3921480 | Reservoir, Coo Recovery | 1 | 否 | |
| 33 | 3922841 | 软管卡箍 | 2 | 是 | 订购 |
| 34 | 3922846 | 软管卡箍 | 4 | 是 | 订购 |
| 35 | 3924493 | 平原软管 | 1 | 是 | 订购 |
| 36 | 68241 | 锌电极插头 | 1 | 是 | 订购 |
| 37 | 3910345 | 六角头螺栓 | 2 | 是 | 订购 |
| 39 | 3910344 | 换热器盖 | 2 | 是 | 订购 |
| 40 | 3910343 | 换热器垫片 | 2 | 是 | 订购 |
地址:重庆市沙坪坝区大水井1号 邮编:400031 联系电话: 023-65830950 传真:023-65830951 渝ICP备11004113号
版权所有 Copyright(C) 泽成机械