
打印本页
相关参数和图片:
| 研发时间 | 部分用途 | 产品名称 |
| 07年NOV | ISX15 CM2250,QSX15 CM570,ISZ13 CM2150 SN,ISX CM871,ISX CM570,ISX CM870,ISX CM871 E,QSX15 CM2250 | Gasket, Oil Cooler Core |
| ||
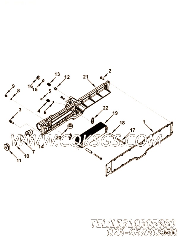
| 图号 | ID号 | 零件名称 | 一般装配量 | 销售(是/否) | 订购链接 |
| 1 | 3104232 | 滑油CLR HSG垫片 | 1 | 否 | |
| 2 | 3417474 | 螺钉 | 10 | 是 | 订购 |
| 3 | 3682386 | ~B]Vy~ | 10 | 是 | 订购 |
| 4965904 | 油过滤器冷却器头 | 1 | 是 | 订购 | |
| 3090400 | 外螺纹接头 | 1 | 是 | 订购 | |
| 4 | 3090419 | 外螺纹接头 | 1 | 是 | 订购 |
| 5 | 3679139 | O 形密封圈 | 1 | 是 | 订购 |
| 6 | 3922794 | O 形密封圈 | 1 | 是 | 订购 |
| 7 | 3411881 | 挡圈 | 1 | 是 | 订购 |
| 3678921 | 螺塞 | 2 | 是 | 订购 | |
| 8 | 3678912 | O 形密封圈 | 1 | 是 | 订购 |
| 9 | 3678922 | 螺塞 | 1 | 否 | |
| 3679880 | 螺塞 | 1 | 是 | 订购 | |
| 10 | 3089025 | O 形密封圈 | 1 | 是 | 订购 |
| 11 | 3679881 | 螺塞 | 1 | 是 | 订购 |
| 12 | 3820320 | 旁通阀柱塞 | 1 | 是 | 订购 |
| 13 | 3882586 | 压缩弹簧 | 1 | 是 | 订购 |
| 14 | 4952629 | 节温器 | 1 | 是 | 订购 |
| 4952760 | 螺塞 | 1 | 是 | 订购 | |
| 15 | 3678606 | O 形密封圈 | 1 | 是 | 订购 |
| 16 | 4952759 | 螺塞 | 1 | 是 | 订购 |
| 17 | 4965483 | 12 角头螺栓 | 4 | 是 | 订购 |
| 18 | 4965484 | 安装垫片 | 4 | 是 | 订购 |
| 19 | 4965487 | 散热器核心 | 1 | 是 | 订购 |
| 4965896 | 油过滤器冷却器头 | 1 | 是 | 订购 | |
| 20 | 3681508 | 滤头插入 | 1 | 是 | 订购 |
| 21 | 4965895 | 油过滤器冷却器头 | 1 | 是 | 订购 |
| 22 | 4973532 | 机油冷却器核心垫片 | 2 | 是 | 订购 |
地址:重庆市沙坪坝区大水井1号 邮编:400031 联系电话: 023-65830950 传真:023-65830951 渝ICP备11004113号
版权所有 Copyright(C) 泽成机械