
| 名称 | 【发动机6LTAA8.9-GM200的进气歧管组】 康明斯密封垫,参数及图片 |
| 相关机型 | ISC8.3 ISC ISL9 ISL |
| 品质 | OEM/aftermarket |
| ID号 | J4R-4Y2-319 |
| 价格 | 授权可见 点击询价 |
| 主要用途 | 康明斯柴油机用的密封垫进气歧管组6LTAA8.9-GM200发动机[详细说明>>] |
打印本页
相关参数和图片:
| 研发时间 | 部分用途 | 产品名称 |
| 96年NOV | C8.3,ISC CM2150,6L8.9,ISC8.3 CM2250,ISL G CM2180,QSL9 CM2250,QSC8.3 CM554,ISL9 CM2250,QSL9 CM554,6C,QSL9 CM850,C Gas Plus CM556,C8.3G,G8.3,L Gas Plus CM556,ISC CM554,QSC8.3 CM2250,QSL9 G CM558,ISC CM850,ISL CM554,QSC8.3 CM850,ISL CM2150,ISL CM2150 SN,ISL CM850,GTA8.3 CM558 | 接头密封垫 |
| ||
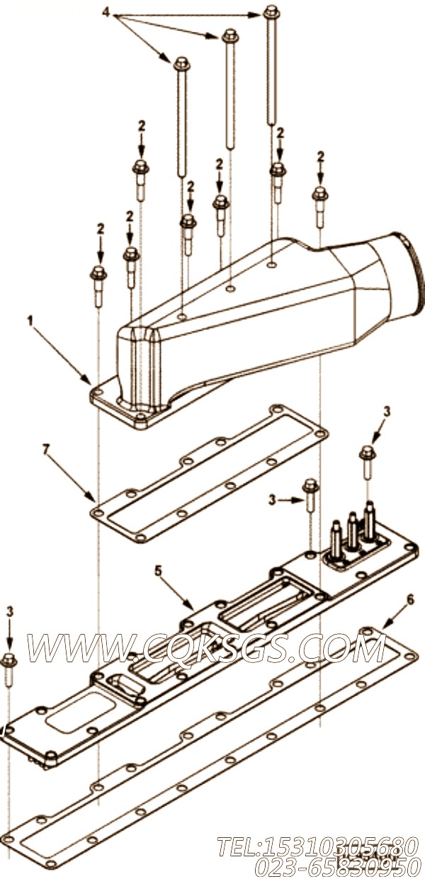
| 图号 | ID号 | 零件名称 | 一般装配量 | 销售(是/否) | 订购链接 |
| IC9249-02 | 进气管接头 | 否 | |||
| 1 | 3286479 | 进气连接 | 1 | 是 | 订购 |
| 2 | 3900678 | 六角法兰头螺丝 | 7 | 是 | 订购 |
| 3 | 3902114 | 六角法兰头螺丝 | 3 | 是 | 订购 |
| 4 | 3923216 | 六角法兰头螺丝 | 3 | 是 | 订购 |
| 5 | 3944222 | 进气加热器 | 1 | 是 | 订购 |
| 6 | 3944646 | 诠释歧管盖垫片 | 1 | 是 | 订购 |
| 7 | 3992090 | 接头密封垫 | 1 | 是 | 订购 |
地址:重庆市沙坪坝区大水井1号 邮编:400031 联系电话: 023-65830950 传真:023-65830951 渝ICP备11004113号
版权所有 Copyright(C) 泽成机械